CA51/CA71多功能校验仪
YOKOGAWA日本横河CA51/CA71便携式多功能校验仪高精度数字
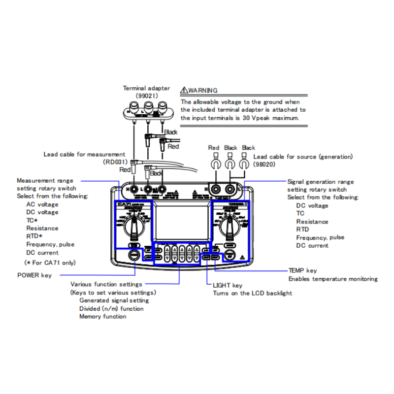
CA51/CA71便携式CAL校准器是全面的生成/测量仪器,可满足您在维护现场的所有校准和设备检查需求。CA51/CA71可以同时产生和测量电压、电流、TC、RTD和脉冲信号,因此您不需要准备许多仪器。此外,良好声誉的旋转开关使操作如此顺利,可以防止错误操作引起的不正确测量。
PRODUCT
可以同时完成发生和测量操作
(可以选择下列发生源信号和测量信号:电压、电流、电阻、热电偶(TC)、热电阻(RTD)、频率、脉冲)
可以测量包括电源电压在内的交流电压
拥有大量的附加功能
操作简单
结构紧凑,重量轻


| 型号 | 名称 | 大小 | 更新 | 备注 | 下载 |
|---|